Attributes Values
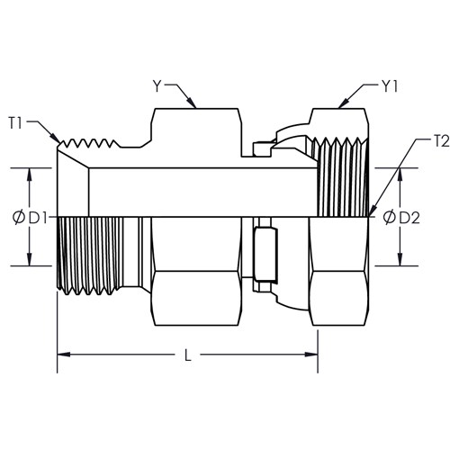
Product # 9024
AirWay 9024